Описание
Характеристики
Отзывы
Модель
Описание
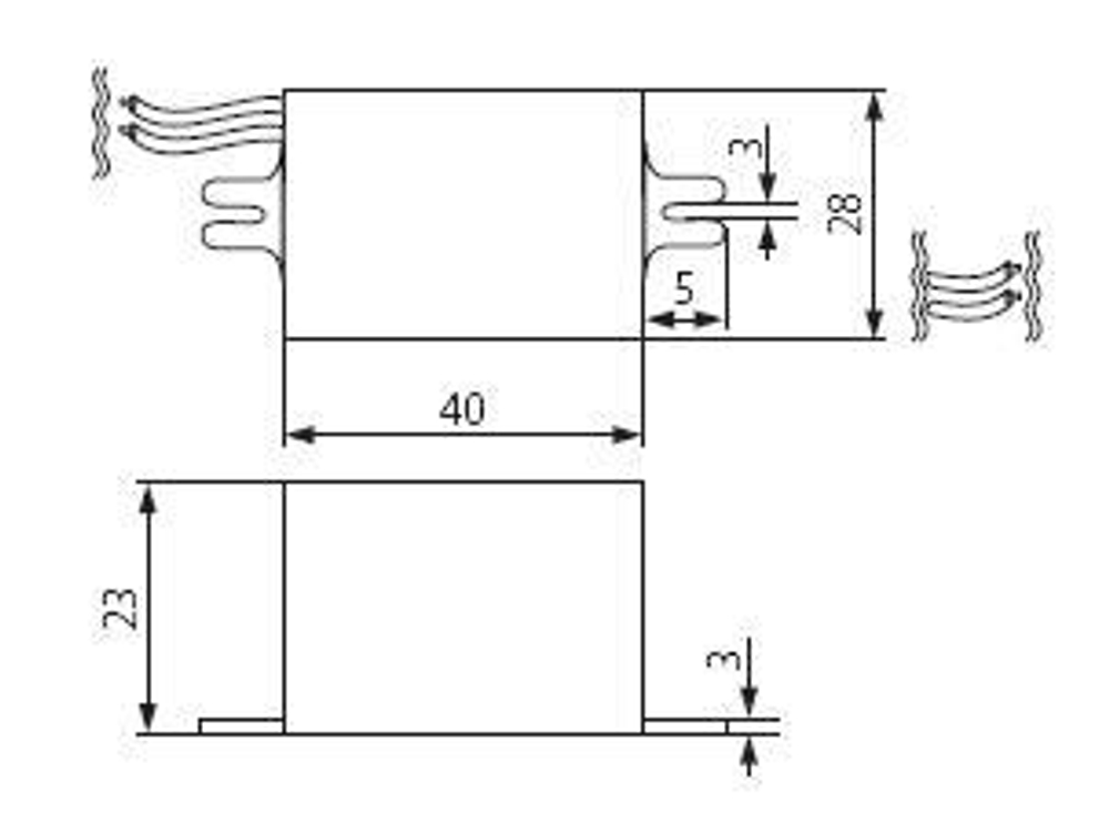
Трансформатор тока светодиодный Kanlux ADI - с максимально допустимой температурой корпуса 75 ° C и стабилизацией постоянного тока 350 мА имеет встроенную защиту от короткого замыкания и перегрузки, а также тепловую защиту, которая отключает источник питания после превышения температуры 110 ° C
Характеристики
Страна производства
Польша
Мощность [Вт]
3
Напряжение [В]
12
Количество ламп
1
Пыленепроницаемость и защита от струй воды [IP]
20
Цвет
Белый
Класс защиты от поражения электрическим током
II
Сертификаты
EAC,CE, Европейский сертификат соответствия
Гарантия
2 года
Объем,м3
0,000078
Отзывы
Отзывов еще никто не оставлял
Модель
ADI LED 350 1-3W (1440)
